证券代码:301348
首页
爱体育(中国)
产品中心
封装
应用
技术支持
企业文化
招募英才
联系我们
投资者关系
EN
CN
产品搜索
IC和分立器件
封装
封装品种
PDFN系列
PDFN3×2-6L
PDFN3×3-8L
PDFN3×3A-8L
PDFN3×3B-8L
PDFN5×6
PDFN5×6A
PDFN8×8A-8L
QFN系列
QFN2×2-12L
QFN2×2-14L
QFN3×2-16L
QFN3×3-16L
QFN3×3-20L
QFN3×3A-20L
QFN4×4-16L
QFN4×4A-16L
QFN4×4-24L
QFN4×4-32L
QFN5×5-32L
DFN系列
DFN0603
DFN1006-2L
DFN1006NBJ-2L
DFN1006-3L
DFN1006NBJ-3L
DFN2510-10L
DFN1006A-3L
DFN1×1-4L-A
DFN1×1-4L-B
DFN1.2×1.2-6L
DFN1.6×1.2A-8L
DFN1.57×1.9-6L
DFN1.6×1.6-6L
DFN2×2-6L-0.5
DFN2×2A-6L-0.5
DFN2×2B-6L-0.5
DFN2×2C-6L-0.5
DFN2×2-8L-0.75
DFN2×2A-8L-0.75
DFN2×2-10L-0.75
DFN3×2-6L
DFN3×2-8L
DFN3×2-10L
DFN3×3-6L
DFN3×3-8L
DFN3×3A-8L
DFN3×3B-8L
DFN3×3C-8L
DFN3×3D-8L
DFN3×3-10L
DFN3×3-12L
DFN5×4
DFN5×6-8L
DFN5×6-10L
DFN5×6-14L
DFN8×8-3L
DFN8×8-4L
DFN8×8A-4L
DFN8×8-8L
DFN9×6-14L
TO系列
TO-277
TO-92
TO-92 (成型)
TO-92R
TO-92LM
TO-92LM(成型编带)
TO-126
TO-126(5.5~6.0)
TO-126F
TO-126F(3.1~3.6)
TO-126F(R)
TO-126R
TO-252
TO-252#
TO-251(5.0~5.4)
TO-251
TO-262
TO-263
TO-263-7L
TO-220
TO-220AC
TO-220F
TO-220FAC
TO-220FL
TO-220S
TO-3PN
TO-3P
TO-3PH
SOD系列
SOD-323
SOD-323FL
SOD-123
SOD-123FL
SOP系列
SOP-7
SOP-8
SOP-8PL
SOP-8PLA
ESOP-8
ESOP-8A
HTSSOP16
SOT系列
SOT-323
SOT-363
SOT-23
SOT23-3
SOT23-5
SOT23-6
SOT-223
SOT-227
TSOT23-5
TSOT23-6
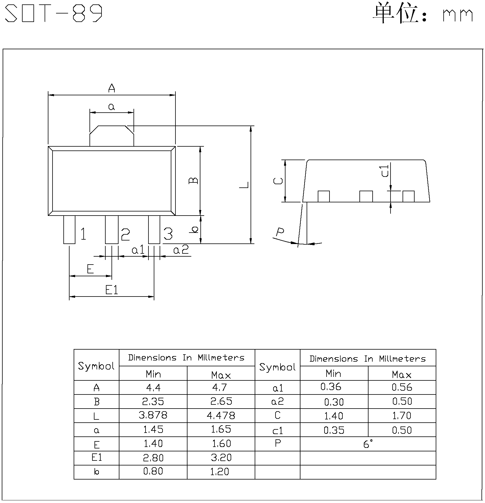
SOT-89
SOT-89-5L
SM(X)系列
SMAF(无凹脚)
SMAF
SMA
SMBF(无凹脚)
SMBF
SMB
SMC
MB(X)系列
MBF
MBL
MBM
MBS
AB(X)系列
ABF
ABS
UM(X)系列
UMB
UMSB
KB(X)系列
KBL
KBU
GB(X)系列
GBL
GBP
TOLL系列
TOLL-8L
STOLL
LFPAK
LFPAK5×6
封测代工先进
工艺技术介绍
SOT-89
详细介绍
米乐在线登录入口
|
乐竞体育网页版登录
|
华体会在线
|
乐鱼网页版登录入口
|
皇冠app官网首页
|
沙巴官方版网站登录入口
|
华体会官方网站
|
安博体育官网入口
|
星空平台
|