证券代码:301348
Home
About Us
Product
Package
Application
Technical
Culture
Join Us
Contact Us
Investor Relation
EN
CN
Search
IC And Discrete Device
Package
Domestic professional research and development manufacturer of semiconductor devices
Package
Package Product
PDFN
PDFN3×3-8L
PDFN3×3A-8L
PDFN5×6
PDFN5×6A
PDFN3×2-6L
QFN
QFN3×3-16L
QFN3×3-20L
QFN4×4-16L
QFN4×4A-16L
DFN
DFN0603
DFN1006-2L
DFN1006-3L
DFN1006A-3L
DFN1×1-4L-A
DFN1×1-4L-B
DFN1.6×1.2A-8L
DFN1.6×1.6-6L
DFN2×2-6L-0.5
DFN2×2A-6L-0.75
DFN2×2B-6L-0.5
DFN2×2C-6L-0.5
DFN2×2-8L-0.75
DFN3×2-6L
DFN3×2-8L
DFN3×2-10L
DFN3×3-6L
DFN3×3-8L
DFN3×3A-8L
DFN3×3B-8L
DFN3×3C-8L
DFN3×3-10L
DFN3×3-12L
DFN5×4
DFN5×6-8L
DFN5×6-10L
DFN8×8-3L
DFN8×8-4L
DFN8×8-8L
DFN9×6-14L
TO
TO-277
TO-92
TO-92 (成型)
TO-92R
TO-92LM
TO-92LM(成型编带)
TO-126
TO-126(5.5~6.0)
TO-126F
TO-126F(3.1~3.6)
TO-126F(R)
TO-126R
TO-252
TO-252#
TO-251(5.0~5.4)
TO-251
TO-262
TO-263
TO-263-7L
TO-220
TO-220AC
TO-220F
TO-220FAC
TO-220FL
TO-220S
TO-3PN
TO-3P
TO-3PH
SOD
SOD-323
SOD-323FL
SOD-123
SOD-123FL
SOP
SOP-7
SOP-8
SOP-8PL
SOP-8PLA
ESOP-8
ESOP-8A
HTSSOP16
SOT
SOT-323
SOT-363
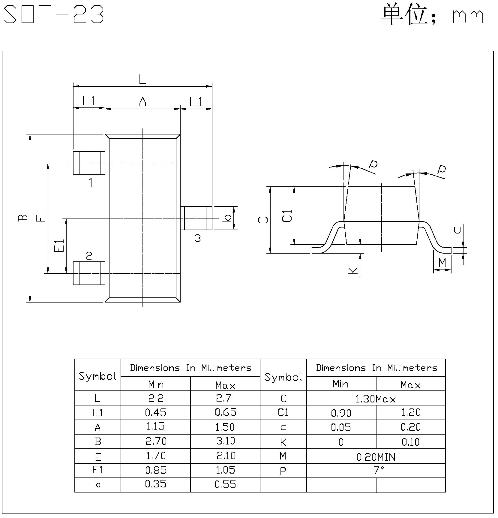
SOT-23
SOT23-3
SOT23-5
SOT23-6
SOT-223
SOT-227
TSOT23-5
TSOT23-6
SOT-89
SOT-89-5L
SM(X)
SMAF(无凹脚)
SMAF
SMA
SMBF(无凹脚)
SMBF
SMB
SMC
MB(X)
MBF
MBL
MBM
MBS
AB(X)
ABF
ABS
UM(X)
UMB
UMSB
KB(X)
KBL
KBU
GB(X)
GBL
GBP
TOLL
TOLL-8L
STOLL
LFPAK
LFPAK5×6
Advanced Test Service
SOT-23
Detailed introduction
米乐在线登录入口
|
乐竞体育网页版登录
|
华体会在线
|
乐鱼网页版登录入口
|
皇冠app官网首页
|
沙巴官方版网站登录入口
|
华体会官方网站
|
安博体育官网入口
|
星空平台
|